PIANO NOTES COUPLED TO RUNNING LEDS

Completed : 20 July 2021

Background adapted from an image from pngtree.com  circuit board png from pngtree.com

This experiment was done after Gerard completed the module on how sound is created using a small buzzer and the modules on using a shift register to address a number of LED (Light Emitting Diodes)

This experiment was done after Gerard completed the module on how sound is created using a small buzzer and the modules on using a shift register to address a number of LED (Light Emitting Diodes).

He did further research and found out that on-line there is a lot of information about the frequencies of the notes used to produce music. Using this information, some basic mathematics, and his knowledge on how to program the platform to make sounds and make LEDs go on and off he put this experiment together.

The functioning is quite simple. The built and programmed the hardware which produces all the notes (that Gerard could hear) from a B0 through to C8 based on a equal tempered scale where A4 = 440Hz. The table with all the information to set up the buzzer routines can be seen if you click here.

A table with the Music Notes to Frequencies can be seen here.

Each Red LEDs is "coupled" to a note within an Octave (being the notes C, D, E, F, G, A and B). He did not use the sharps and flats (black keys on a keyboard) in this note sequence, and come on as the note is play within each octave (from 0 to 8). The Blue LEDs indicate the Octave in which the current note being played is.

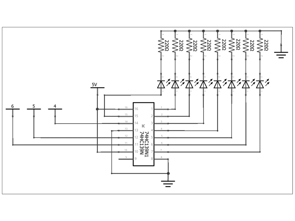
The buzzer is directly coupled to the controller while the LEDs are manipulated by a shift register allowing control of 16 LED with only 6 control pins from the controller.

Controller Board Set Up

Buzzer and Shift Registers with LED Set Up

Buzzer and Shift Registers with LED Set Up

Buzzer Circuit

LED Circuit

Truth Tables for the 2 LED Shift Registers

The Arduino Sketch, or program can be seen listed if you click here.

Video of Working Experiment

The video was made using Dianne´s Nikon CoolPix B600 camera and stitched together with slides within Photoshop.   No extra effort was made in changing the audio so one does hear one of our yorkies barking on the sound track.



Click here to go back to the Arduino Index Page

Click here to go back to the Top of this page